Como modelo de referência da série de microinterruptores da Yueqing Tongda Wire Electric Factory, o microinterruptor para forno de microondas e máquina de lavar apresenta "alta sensibilidade, vida útil ultralonga e adaptabilidade a vários cenários" como suas principais vantagens. Integrando os 35 anos de experiência da empresa na fabricação de switches, ele se tornou um componente chave de controle em eletrodomésticos, eletrônica automotiva, automação industrial e outros campos, graças ao seu mínimo intervalo de contato e mecanismo de ação rápida. Seu desempenho e confiabilidade foram certificados por diversas organizações conceituadas em todo o mundo, garantindo sua posição dominante no nicho de mercado.
Introdução ao microinterruptor
O produto obteve as principais certificações de segurança globais, incluindo UL, C-UL, ENEC, VDE, CE, CB, TUV, CQC e KC, está em conformidade com o padrão IEC 61058 e atende aos requisitos de acesso ao mercado em regiões como Europa, América e Ásia-Pacífico. A empresa obteve as certificações do sistema de gestão de qualidade ISO9001 e IATF 16949 e implementa rigorosamente as diretivas ambientais RoHS e REACH, garantindo um controle refinado em todo o processo de produção. Com 6 patentes de invenção nacionais e 48 patentes de modelos de utilidade, a série HK-14 atinge níveis de confiabilidade e consistência líderes do setor.
Diretrizes de instalação e uso
Ao instalar, o interruptor deve ser montado em uma superfície plana e preso com uma arruela plana ou arruela de pressão para evitar mau funcionamento ou danos à caixa causados por superfícies irregulares. Escolha modelos com base no ambiente: para condições úmidas ou empoeiradas, recomenda-se usar uma versão personalizada selada para aumentar a proteção. Não aplique óleo lubrificante no botão ou atuador para evitar aderência de contato, falhas funcionais ou até mesmo queima. Durante o armazenamento, mantenha o produto em local seco, ventilado, protegido de chuva ou neve, e evite altas temperaturas e umidade que possam causar envelhecimento dos componentes, garantindo que o produto mantenha seu desempenho original.
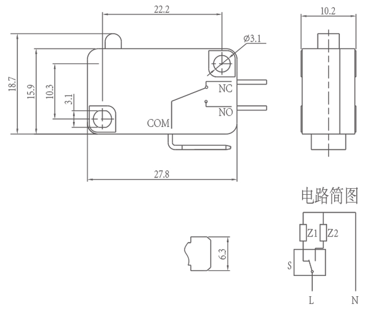
Parâmetro do microinterruptor (especificação)
| Características técnicas do switch: | |||
| ITEM | Parâmetro Técnico | Valor | |
| 1 | Classificação Elétrica | 5(2)A/10A/16(3)A/21(8)A 250 VCA | |
| 2 | Resistência de contato | ≤30mΩ Valor inicial | |
| 3 | Resistência de Isolamento | ≥100MΩ (500VCC) | |
| 4 |
Dielétrico Tensão |
Entre terminais não conectados |
1000V/0,5mA/60S |
|
Entre terminais e a estrutura metálica |
3000V/0,5mA/60S | ||
| 5 | Vida Elétrica | ≥50.000 ciclos | |
| 6 | Vida Mecânica | ≥1000000 ciclos | |
| 7 | Temperatura operacional | -25~125℃ | |
| 8 | Frequência operacional |
elétrica: 15 ciclos Mecânico: 60 ciclos |
|
| 9 | À prova de vibração |
Frequência de vibração: 10 ~ 55 Hz; Amplitude: 1,5 mm; Três direções: 1H |
|
| 10 |
Capacidade de solda: Mais de 80% da parte imersa deve ser coberto com solda |
Temperatura de soldagem: 235±5℃ Tempo de imersão: 2 ~ 3S |
|
| 11 | Resistência ao calor da solda |
Solda por imersão: 260±5°C 5±1S Soldagem Manual: 300±5℃ 2~3S |
|
| 12 | Aprovações de segurança | UL, CSA, VDE, ENEC, TUV, CE, KC, CQC | |
| 13 | Condições de teste |
Temperatura ambiente: 20 ± 5 ℃ Umidade relativa: 65 ± 5% UR Pressão de ar: 86 ~ 106KPa |
|
Recurso e aplicação do micro switch
Detalhes do microinterruptor
