Como um produto representativo da Yueqing Tongda Wire Electric Factory que incorpora a integração da padronização e personalização básicas, os microinterruptores para espremedores, aspiradores, impressoras e outros dispositivos D foram projetados com os princípios básicos de "estabilidade, confiabilidade e compatibilidade de cena". Ele incorpora 35 anos de experiência na fabricação de switches da empresa, alcançando diversas otimizações no desempenho elétrico, nos níveis de proteção e na experiência do usuário. O switch é amplamente aplicável a cenários como distribuição de energia doméstica inteligente, equipamentos auxiliares industriais e pequenos instrumentos médicos, tornando-o um componente de controle de circuito preferido que equilibra universalidade com potencial de personalização.
MicrointerruptorIntrodução
A seguir estão as principais etapas de produção que os compradores precisam compreender para avaliar a qualidade do produto:
1. Fabricação de componentes: Contatos e molas de metal usinados com precisão; invólucro durável (materiais plásticos/metálicos).
2. Montagem: Montagem precisa de molas, contatos e atuadores para evitar afetar o desempenho.
3. Teste: Testes rigorosos (milhares de testes de imprensa, testes de continuidade elétrica) para garantir a confiabilidade.
4. Embalagem: Embalagem protetora para fácil transporte, com rotulagem clara das especificações.
MicrointerruptorAplicativo
Microinterruptores são amplamente utilizados e confiáveis em desempenho, aplicados principalmente em:
- Eletrodomésticos: luzes de geladeira, fechaduras de forno de micro-ondas, interruptores de tampa de máquina de lavar e temporizadores de torradeira.
- Equipamentos industriais: modelos robustos adequados para correias transportadoras, máquinas e painéis de controle (à prova de poeira e umidade).
- Área automotiva: limpadores de para-brisa, indicadores de porta entreaberta — capazes de suportar vibrações e temperaturas extremas.
- Dispositivos eletrônicos: interruptores miniatura para controles remotos e controladores de jogos (responsivos e duradouros).
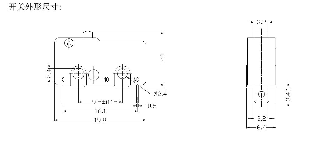
Microinterruptor Especificação
| Características técnicas do switch: | |||
| ITEM | Parâmetro Técnico | Valor | |
| 1 | Classificação Elétrica | 5(2)A 125V/250VCA 10(3)125V/250VCA | |
| 2 | Resistência de contato | ≤50mΩ Valor inicial | |
| 3 | Resistência de Isolamento | ≥100MΩ (500VCC) | |
| 4 |
Dielétrico Tensão |
Entre terminais não conectados |
500V/0,5mA/60S |
| Entre terminais e a estrutura metálica |
1500V/0,5mA/60S | ||
| 5 | Vida Elétrica | ≥10.000 ciclos | |
| 6 | Vida Mecânica | ≥100.000 ciclos | |
| 7 | Temperatura operacional | -25~125℃ | |
| 8 | Frequência operacional | Elétrica: 15 ciclos Mecânico: 60 ciclos |
|
| 9 | À prova de vibração | Frequência de vibração: 10 ~ 55 Hz; Amplitude: 1,5 mm; Três direções: 1H |
|
| 10 | Capacidade de solda: Mais de 80% da parte imersa deve ser coberto com solda |
Temperatura de soldagem: 235±5℃ Tempo de imersão: 2 ~ 3S |
|
| 11 | Resistência ao calor da solda | Solda por imersão: 260±5°C 5±1S Soldagem manual: 300±5°C 2~3S |
|
| 12 | Aprovações de segurança | UL,CSA,VDE,ENEC,CE | |
| 13 | Condições de teste | Temperatura ambiente: 20 ± 5 ℃ Umidade relativa: 65 ± 5% UR Pressão do ar: 86 ~ 106KPa |
|
Fio Tongda Elétrico Interruptor de alimentação micro USB em linha Detalhes


