Microinterruptor de grande corrente para máquinas de lavar
Microinterruptor da fritadeira de ar da máquina de limpeza da máquina de lavar louça
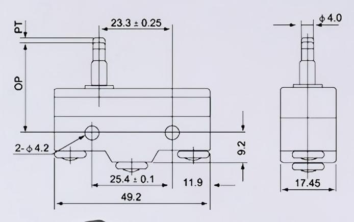
16A 250VAC Redefinição do limite de viagem Interruptor normalmente fechado de 2 pinos
Interruptor de viagem de limite duplo independenteO interruptor de acidente vascular cerebral de alta qualidade do LS é um componente de controle automático desencadeado pelo movimento mecânico. Sua função principal é detectar o deslocamento ou o golpe de um objeto para alcançar a abertura e o fechamento dos circuitos, o início e a parada do equipamento ou a proteção limitada. É um 'Sentinel de segurança' indispensável e 'comandante de ação' em automação industrial e equipamentos eletromecânicos.
Trocar Introduçãouction
O interruptor de viagem (também conhecido como interruptor de limite) é um componente de controle automático acionado por movimento mecânico. Sua função principal é detectar o deslocamento ou o golpe de um objeto para alcançar a abertura e o fechamento dos circuitos, o início e a parada do equipamento ou a proteção limitada. É um 'Sentinel de segurança' indispensável e 'comandante de ação' em automação industrial e equipamentos eletromecânicos.
Trocar Aplicação
Sistema de correia transportadora: os interruptores de limite são instalados nos pontos de partida/final do transportador. Quando uma peça de trabalho é transportada para a posição designada, o interruptor é acionado para pausar o transportador, coordenando com o braço robótico para executar ações de agarrar e classificar.
Linha de montagem: eles são usados para detectar se uma peça de trabalho está na posição correta. Por exemplo, em uma linha de montagem de aparelhos domésticos, quando a concha externa se move para a estação de aperto de parafuso, o interruptor aciona a inicialização da máquina de aperto, garantindo uma coordenação precisa entre as etapas do processo.
Trocar Detalhes
