Como modelo de referência da série de microinterruptores da Yueqing Tongda Wire Electric Factory, o microinterruptor HK-14 16A 250VAC T125 Universal Pentium Supor Acessórios para panela de arroz apresenta "alta sensibilidade, vida útil ultralonga e adaptabilidade a vários cenários" como suas principais vantagens. Integrando os 35 anos de experiência da empresa na fabricação de switches, ele se tornou um componente chave de controle em eletrodomésticos, eletrônica automotiva, automação industrial e outros campos, graças ao seu mínimo intervalo de contato e mecanismo de ação rápida. Seu desempenho e confiabilidade foram certificados por diversas organizações conceituadas em todo o mundo, garantindo sua posição dominante no nicho de mercado.
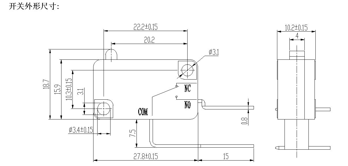
Introdução ao microinterruptor
O HK-14 demonstra forte competitividade em especificações técnicas e é especialmente adequado para requisitos de controle de alta frequência e alta precisão. Os contatos são feitos de materiais de liga altamente condutores, com uma resistência de contato inicial de ≤30mΩ, capazes de transportar correntes de forma estável de 5A a 25A e compatíveis com vários cenários de tensão, incluindo AC 125V/250V e DC 12V/24V, atendendo a diversas necessidades de energia, desde pequenos eletrodomésticos até equipamentos industriais.
Em termos de desempenho de disparo, o produto utiliza um mecanismo de ação instantânea, com um curso operacional de apenas 0,5-1,6 mm e força operacional controlada entre 0,25-4N. Ele oferece resposta de acionamento rápida e feedback claro, evitando efetivamente problemas de "falso acionamento" e "atraso no acionamento". A vida útil excede em muito as normas da indústria: a vida mecânica excede 1 milhão de ciclos e a vida elétrica atinge mais de 50.000 ciclos, permitindo uma operação estável a longo prazo em cenários de uso de alta frequência, como fornos de micro-ondas e eletrônicos automotivos.
A adaptabilidade ambiental é igualmente impressionante. O produto pode operar em uma ampla faixa de temperatura de -25 ℃ a 125 ℃, passar em um teste de vibração de três eixos a 10-55 Hz com uma amplitude de 1,5 mm, manter uma resistência de isolamento de ≥100MΩ (500VDC) e suportar uma tensão de 1000V AC entre os terminais, garantindo desempenho estável mesmo em ambientes de vibração de oficinas industriais ou nas condições de alta temperatura de um compartimento de motor de carro.
Contando com o sistema de controle de qualidade de processo completo da Leqing Tongda, o HK-14 passa por vários testes rigorosos, desde matérias-primas até produtos acabados:
Testes de matérias-primas: análise espectral de materiais de contato, testes de elasticidade e fadiga de peças de mola e testes de resistência ao envelhecimento da carcaça para garantir que os componentes principais atendam aos padrões automotivos;
Testes de produção: Linhas de montagem de precisão totalmente automatizadas equipadas com sistemas de inspeção visual, controlando os principais erros dimensionais dentro de ± 0,01 mm para garantir uma precisão de atuação consistente;
Teste de produto acabado: taxa de aprovação de 100% em 10 testes, incluindo ciclos de alta e baixa temperatura (-40°C a 120°C), corrosão por névoa salina de 48 horas, milhões de ciclos de prensagem, testes de vibração e impacto.
Parâmetro do microinterruptor (especificação)
| Características técnicas do switch: | |||
| ITEM | Parâmetro Técnico | Valor | |
| 1 | Classificação Elétrica | 5(2)A/10A/16(3)A/21(8)A 250 VCA | |
| 2 | Resistência de contato | ≤30mΩ Valor inicial | |
| 3 | Resistência de Isolamento | ≥100MΩ (500VCC) | |
| 4 |
Dielétrico Tensão |
Entre terminais não conectados |
1000V/0,5mA/60S |
| Entre terminais e a estrutura metálica |
3000V/0,5mA/60S | ||
| 5 | Vida Elétrica | ≥50.000 ciclos | |
| 6 | Vida Mecânica | ≥1000000 ciclos | |
| 7 | Temperatura operacional | -25~125℃ | |
| 8 | Frequência operacional | elétrica: 15 ciclos Mecânico: 60 ciclos |
|
| 9 | À prova de vibração | Frequência de vibração: 10 ~ 55 Hz; Amplitude: 1,5 mm; Três direções: 1H |
|
| 10 | Capacidade de solda: Mais de 80% da parte imersa deve ser coberto com solda |
Temperatura de soldagem: 235±5℃ Tempo de imersão: 2 ~ 3S |
|
| 11 | Resistência ao calor da solda | Solda por imersão: 260±5°C 5±1S Soldagem Manual: 300±5℃ 2~3S |
|
| 12 | Aprovações de segurança | UL, CSA, VDE, ENEC, TUV, CE, KC, CQC | |
| 13 | Condições de teste | Temperatura ambiente: 20 ± 5 ℃ Umidade relativa: 65 ± 5% UR Pressão de ar: 86 ~ 106KPa |
|
Recurso e aplicação do micro switch
Detalhes do microinterruptor

