Microinterruptor de grande corrente para máquinas de lavar
Microinterruptor da fritadeira de ar da máquina de limpeza da máquina de lavar louça
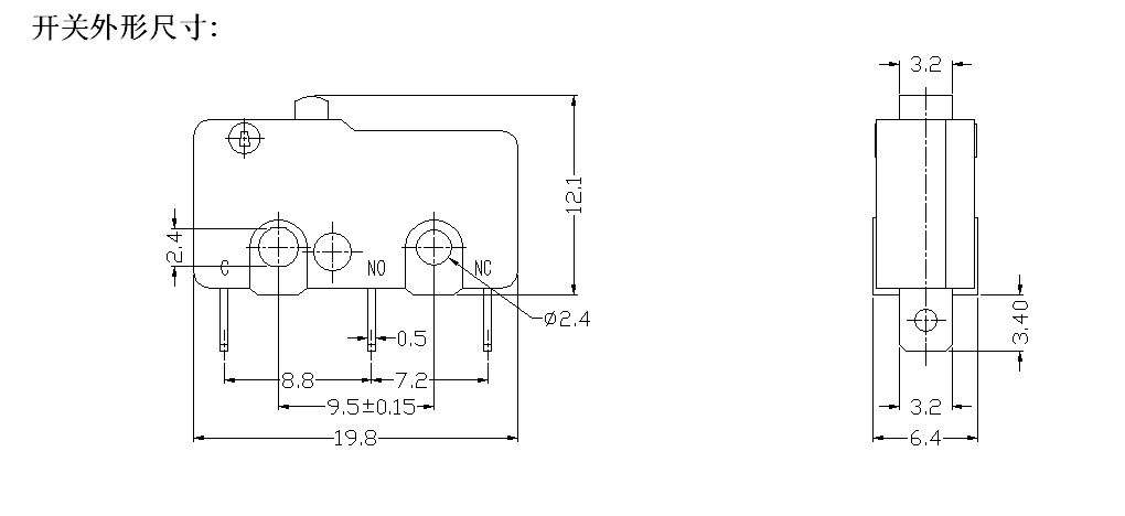
16A 250VAC Redefinição do limite de viagem Interruptor normalmente fechado de 2 pinos
Interruptor de viagem de limite duplo independenteComo um produto representativo da Usina de Energia a Cabo Yueqing Tongda que incorpora a integração da padronização e personalização básicas, o switch HK-04G-L foi projetado com os princípios básicos de "estabilidade, confiabilidade e compatibilidade de cena". Ele incorpora 35 anos de experiência na fabricação de switches da empresa, alcançando diversas otimizações no desempenho elétrico, nos níveis de proteção e na experiência do usuário. O switch é amplamente aplicável a cenários como distribuição de energia doméstica inteligente, equipamentos auxiliares industriais e pequenos instrumentos médicos, tornando-o um componente de controle de circuito preferido que equilibra universalidade com potencial de personalização.
MicrointerruptorIntrodução
O switch HK-04G-L concentra-se em requisitos práticos para parâmetros-chave, atendendo aos padrões básicos de controle para vários cenários. Os contatos são feitos de liga prata-estanho e processados com soldagem de precisão, com resistência de contato inicial de ≤8mΩ. Ele pode transportar de forma confiável corrente CA 10A-16A (tensão nominal 250V CA), adequada para as demandas de energia da maioria dos dispositivos domésticos e pequenos industriais, evitando efetivamente problemas de superaquecimento de contato ou erosão causada por sobrecarga de corrente.
O desempenho do gatilho e da vida útil são igualmente confiáveis: ele usa uma estrutura de gatilho do tipo rocker, com um curso de pressão de 1,3-1,6 mm e força operacional controlada entre 1,5-3N. O feedback de ativação é claro e suave, tornando improvável que o uso diário experimente "pressionamento sem resposta". A vida útil mecânica chega a 80.000 ciclos de prensagem e a vida elétrica excede 50.000 ciclos. Em dispositivos de uso de alta frequência, como refrigeradores, pequenos ventiladores e impressoras comerciais, pode atingir operação estável por 3 a 5 anos.
A adaptabilidade ambiental atende aos requisitos de cenários convencionais: O produto opera em uma faixa de temperatura de -30°C a 80°C, capaz de suportar baixas temperaturas nos invernos do norte e condições de dissipação de calor no verão; a resistência de isolamento é ≥50MΩ (500VDC) e a tensão terminal suportada atinge 800V AC, atendendo aos padrões elétricos de segurança para uso doméstico e comercial. Além disso, o invólucro é feito de material ABS retardador de chamas (em conformidade com UL94 V-1), reduzindo os riscos de segurança causados por curtos-circuitos.
MicrointerruptorAplicativo
Em cenários domésticos e domésticos inteligentes, o HK-04G-L, com seu tamanho compacto (aproximadamente 20×15×10mm, C×L×A), pode ser facilmente integrado em caixas de distribuição inteligentes, tomadas montadas na parede e pequenos painéis de controle de eletrodomésticos. Atualmente, tornou-se um componente usado por várias marcas nacionais de casas inteligentes para funções como controle de iluminação e comutação de energia de eletrodomésticos. Uma marca relatou que a taxa de falhas dos produtos equipados com ela é 40% menor do que os switches tradicionais.
Em cenários industriais e comerciais de pequena escala, o produto é adequado para controle de energia de pequenos equipamentos transportadores, máquinas de café comerciais, impressoras de escritório e outros dispositivos. Ao otimizar a estrutura de conexão do terminal, ele suporta a instalação rápida da fiação, aumentando a eficiência da montagem do dispositivo. Anteriormente, uma versão personalizada para um fabricante de eletrodomésticos comerciais, através do ajuste do espaçamento dos terminais, atendia aos requisitos compactos de fiação interna de seus equipamentos, melhorando a eficiência da instalação em 25%.
Microinterruptor Especificação
| Características técnicas do switch: | |||
| ITEM | Parâmetro Técnico | Valor | |
| 1 | Classificação Elétrica | 5(2)A 125V/250VCA 10(3)125V/250VCA | |
| 2 | Resistência de contato | ≤50mΩ Valor inicial | |
| 3 | Resistência de Isolamento | ≥100MΩ (500VCC) | |
| 4 |
Dielétrico Tensão |
Entre terminais não conectados |
500V/0,5mA/60S |
| Entre terminais e a estrutura metálica |
1500V/0,5mA/60S | ||
| 5 | Vida Elétrica | ≥10.000 ciclos | |
| 6 | Vida Mecânica | ≥100.000 ciclos | |
| 7 | Temperatura operacional | -25~125℃ | |
| 8 | Frequência operacional | Elétrica: 15 ciclos Mecânico: 60 ciclos |
|
| 9 | À prova de vibração | Frequência de vibração: 10 ~ 55 Hz; Amplitude: 1,5 mm; Três direções: 1H |
|
| 10 | Capacidade de solda: Mais de 80% da parte imersa deve ser coberto com solda |
Temperatura de soldagem: 235±5℃ Tempo de imersão: 2 ~ 3S |
|
| 11 | Resistência ao calor da solda | Solda por imersão: 260±5°C 5±1S Soldagem manual: 300±5°C 2~3S |
|
| 12 | Aprovações de segurança | UL,CSA,VDE,ENEC,CE | |
| 13 | Condições de teste | Temperatura ambiente: 20 ± 5 ℃ Umidade relativa: 65 ± 5% UR Pressão do ar: 86 ~ 106KPa |
|
Fio Tongda Elétrico Interruptor de alimentação micro USB em linha Detalhes

