Como uma empresa profissional de micro switch de 3 terminais de venda direta com 35 anos de experiência na fabricação de switches, a Yueqing Tongda Cable Factory concentra-se em 'personalização orientada pela demanda, tecnologia que garante segurança' e, com foco em produtos principais, como interruptores oscilantes, botões vermelhos, micro interruptores NO/NC e botões NCs, fornece soluções de interruptores personalizadas para vários campos, incluindo setores industriais, domésticos inteligentes, médicos e marítimos. Com inovação tecnológica e rigoroso controle de qualidade, tornou-se referência no ramo de switches customizados.
Introdução ao microinterruptor

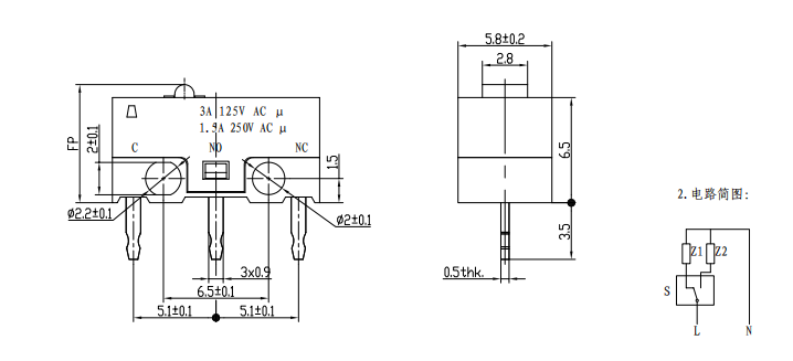
Parâmetro do microinterruptor (especificação)
| ITEM | Principais Parâmetros Técnicos |
| 1 | Classificação elétrica: 3A 250VAC |
| 2 | Vida útil elétrica: Min.10000 ciclos |
| 3 | Resistência de contato:<50mΩ |
| 4 | Força operacional:70±20gf |
| 5 | Posição livre: 7,3 ± 0,2 mm |
| 6 | Posição operacional: 7,0 ± 0,2 mm |
| 7 | Temperatura ambiente: T85° |
| 8 | Tensão suportável: Entre terminal e terminal 500V/5S/5mA; |
| Entre terminais e caixa 1500/5S/5mA | |
| 9 | Resistência de isolamento: >100MΩ Tensão de teste 500VDC |
| 10 | Índice de rastreamento de prova PTI: 175V |
Detalhes do microinterruptor
